Щековая дробилка СДС-4-6

Щековая дробилка СДС-4-6

Габаритные размеры: Длина х Ширина х Высота, мм
2775×1760×1590
Масса, кг
6000
Мощность электродвигателя, кВт
30
Все характеристики
Назначение: для измельчения материалов методом дробления.
Пуско-наладка на вашем объекте и обучение вашего персонала
При необходимости проводим испытания с давальческим сырьем
Послепродажный сервис и плановые поставки запчастей и расходников
от 2 883 000 руб.
Заказать
Гарантия: от 12 месяцев
Доставка: по всей России и СНГ
Сроки изготовления: от 40 рабочих дней
Подобрать решение
Андрей Федоров
Инженер-консультант
+7 (950) 921-62-55

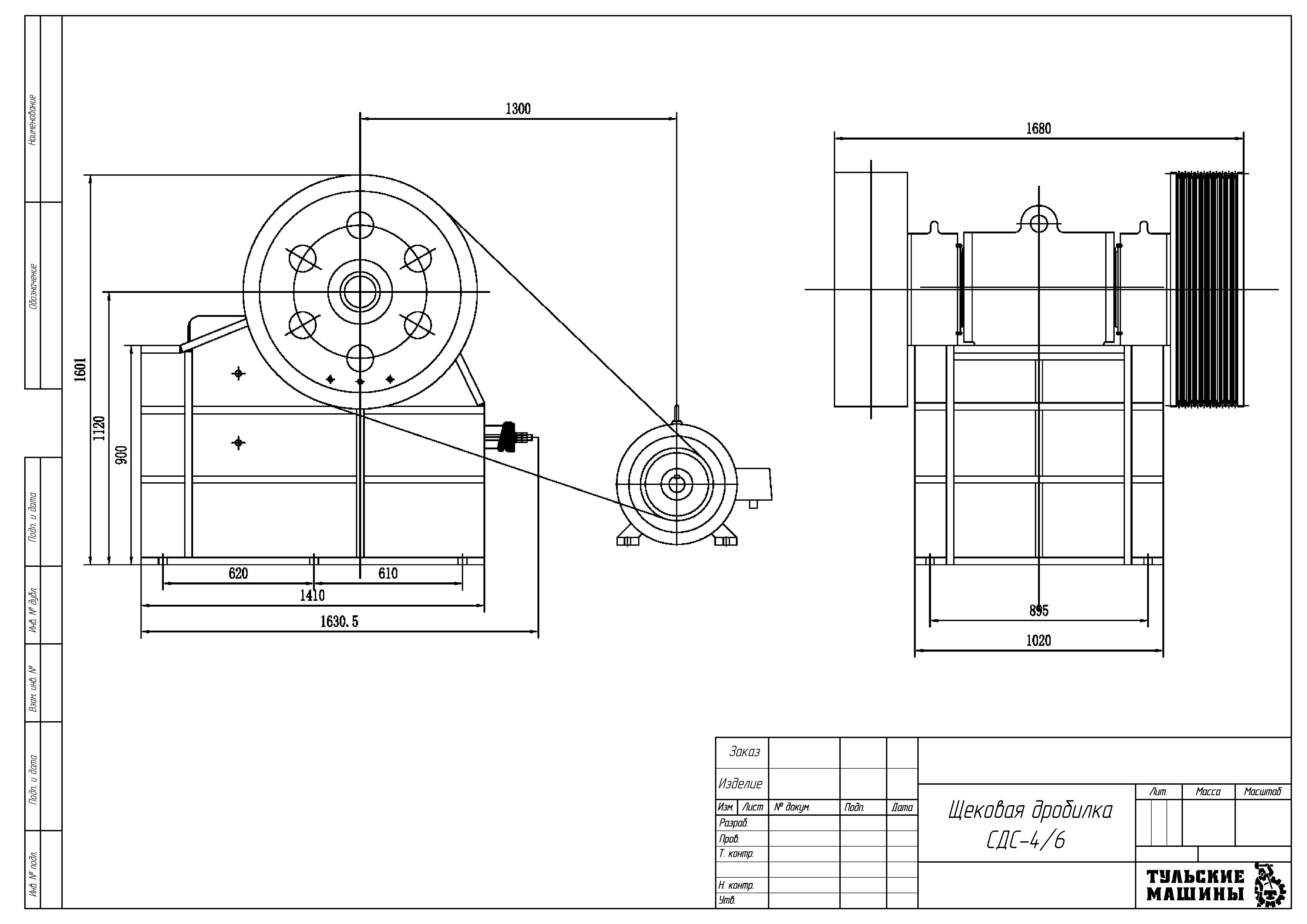
ТЕХНИЧЕСКИЕ ХАРАКТЕРИСТИКИ — Щековая дробилка СДС-4-6

Габаритные размеры: Длина х Ширина х Высота, мм:
2775×1760×1590
Масса, кг:
6000
Мощность электродвигателя, кВт:
30
Max. входящая фракция, мм:
350
Размеры приемного отверстия, мм:
400х600
Номинальное напряжение питания, В/Гц:
380/50
Размеры выходной щели, мм:
40-100
Производительность, м³/ч:
25-64
Изготовление по вашему ТЗ
Отправить ТЗ
Реверс-инжиниринг
Обсудить задачу

ОПИСАНИЕ — Щековая дробилка СДС-4-6

Щековая дробилка – агрегат, предназначенный для измельчения материалов методом дробления. Пригодна для работы с твердыми рудными породами, некоторыми видами металлов, шлаков, бетона. Щековая дробилка широко используется в горно-перерабатывающей промышленности в России. Эти универсальные дробящие машины дают возможность быстрого и эффективного измельчения твердых пород путем механического воздействия перед отправкой готового продукта на перерабатывающий завод. Представленные на рынке модели оборудования могут сокращать крупность куска на выходе – в 3-5 раз мельче исходного за один прием. Они часто применяются в составе заводской линии по переработке сырья для крупного, мелкого и среднего дробления.

Область применения

Щековая дробилка СДС-4-6 используется для измельчения различных минералов и применяется в металлургической, химической, горнодобывающей отраслях.
Устанавливаться дробилка может как на строительной площадке, так и на карьере. И это далеко не все места, где может быть установлена щековая дробилка СДС-4-6.
Она применяется для уменьшения фракционного размера подаваемого в неё материала. И может быть как отдельная самостоятельная единица, так и находиться в составе технологической линии.

Принцип работы щековой дробилки

Дробилка состоит из станины, подвижной щеки, механизма регулирования щеки, распорной плиты, тяги с пружиной и откидного упора.
Дробилка работает следующим образом: в дробильную камеру, имеющую форму клина, подается материал для дробления. Подвижная щека приближается к неподвижной дробящей плите, в ходе чего куски материала дробятся. При отходе подвижной щеки материал под действием силы тяжести продвигается вниз и выходит из камеры дробления. Затем цикл повторяется.

Преимущества

  • Дробящие плиты изготовлены из стали с высоким содержанием марганца
  • Простота в обслуживании и эксплуатации
  • Удобная и надежная регулировка выходящей фракции при помощи винта и регулировочных пластин, позволяющих надежно зафиксировать нужный зазор между дробящими плитами
  • Эксплуатация при любых погодных условиях

Оборудование, произведенное на нашем заводе, выполнено только из высококачественных комплектующих. Дробилка сопровождается всей необходимой документацией и, разумеется, гарантией. Специалисты компании “Тульские Машины” сделают все, чтобы наше оборудование долго и верно служили вашему бизнесу.


ЧЕРТЕЖ — Щековая дробилка СДС-4-6


Обсудить задачу
Обсудить задачу
Отправьте заявку — с вами свяжется инженер:
  • Обсудить технические вопросы
  • Подготовить коммерческое предложение
  • При необходимости договориться о встрече
  • Организовать экскурсию на производство