Грохот качающийся Вибросид-1800-4-Н

Грохот качающийся Вибросид-1800-4-Н

Масса, кг
1490
Мощность электродвигателя, кВт
3
Производительность, т/ч
до 12
Все характеристики
Назначение: для многоступенчатой сортировки сыпучих материалов на пять фракций за один технологический цикл.
Пуско-наладка на вашем объекте и обучение вашего персонала
При необходимости проводим испытания с давальческим сырьем
Послепродажный сервис и плановые поставки запчастей и расходников
от 2 288 000 руб.
Заказать
Гарантия: от 12 месяцев
Доставка: по всей России и СНГ
Сроки изготовления: от 40 рабочих дней
Подобрать решение
Андрей Федоров
Инженер-консультант
+7 (950) 921-62-55

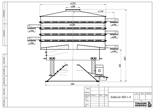
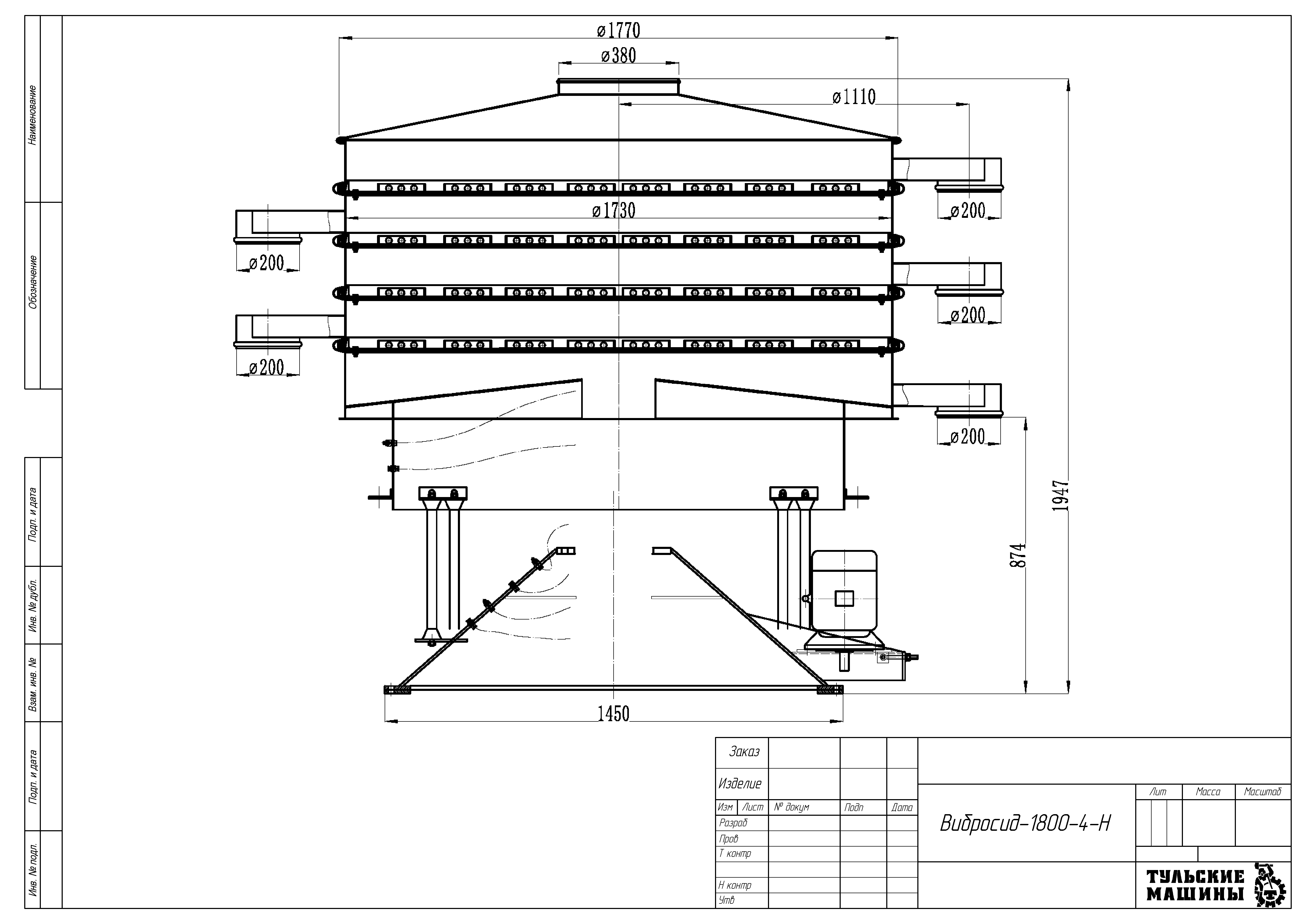
ТЕХНИЧЕСКИЕ ХАРАКТЕРИСТИКИ — Грохот качающийся Вибросид-1800-4-Н

Масса, кг:
1490
Мощность электродвигателя, кВт:
3
Производительность, т/ч:
до 12
Амплитуда (полуразмах) колебаний, мм:
20-70
Количество дек, шт.:
4
Площадь одной просеивающей поверхности, м²:
2,26
Изготовление по вашему ТЗ
Отправить ТЗ
Реверс-инжиниринг
Обсудить задачу

ОПИСАНИЕ — Грохот качающийся Вибросид-1800-4-Н

Грохот качающийся с четырьмя ситами из нержавеющей стали — это высокопроизводительное оборудование для многоступенчатого рассева и сортировки сыпучих материалов на пять фракций за один технологический цикл. Качающиеся (круговые) колебания корпуса обеспечивают равномерное распределение материала по всем ситам, высокую точность классификации и стабильную работу при непрерывной подаче.

Четырёхситовая конструкция позволяет одновременно получать:

  • крупную фракцию (над верхним ситом)
  • три промежуточные фракции (между ситами)
  • мелкую фракцию (под нижним ситом)

Исполнение из нержавеющей стали обеспечивает коррозионную стойкость, гигиеничность и длительный срок службы, что делает грохот оптимальным решением для производств с повышенными санитарными и эксплуатационными требованиями.

Преимущества

  • высокая точность и стабильность грохочения
  • равномерная нагрузка на сита без забивания
  • компактная вертикальная компоновка при высокой производительности
  • нержавеющее исполнение — устойчивость к влаге и агрессивным средам
  • закрытая конструкция — минимизация пылеобразования и потерь материала
  • простота обслуживания и быстрая замена сит

Конструктивные особенности

Грохот выполнен в четырёхдечном исполнении и оснащён встроенным виброузлом, формирующим оптимальные качающиеся колебания. Корпус и основные элементы изготовлены из нержавеющей стали, возможна установка сит с различным размером ячеек для формирования требуемых фракций. Конструкция рассчитана на длительную эксплуатацию в условиях непрерывной промышленной нагрузки и легко интегрируется в существующие технологические линии.

Области применения

  • пищевая и химическая промышленность
  • фармацевтические и косметические производства
  • производство сухих строительных смесей
  • линии подготовки песка и отсева
  • переработка инертных и минеральных материалов

Грохот качающийся с четырьмя ситами из нержавеющей стали — оптимальный выбор для предприятий, которым требуется одновременное получение пяти фракций, высокая производительность и соответствие строгим санитарным требованиям.

ЧЕРТЕЖ — Грохот качающийся Вибросид-1800-4-Н


Обсудить задачу
Обсудить задачу
Отправьте заявку — с вами свяжется инженер:
  • Обсудить технические вопросы
  • Подготовить коммерческое предложение
  • При необходимости договориться о встрече
  • Организовать экскурсию на производство