Грохот качающийся Вибросид-1800-1

Грохот качающийся Вибросид-1800-1

Масса, кг
1220
Мощность электродвигателя, кВт
3
Производительность, т/ч
до 12
Все характеристики
Назначение: для контрольного рассева и классификации сыпучих материалов по двум фракциям.
Пуско-наладка на вашем объекте и обучение вашего персонала
При необходимости проводим испытания с давальческим сырьем
Послепродажный сервис и плановые поставки запчастей и расходников
от 1 341 000 руб.
Заказать
Гарантия: от 12 месяцев
Доставка: по всей России и СНГ
Сроки изготовления: от 40 рабочих дней
Подобрать решение
Андрей Федоров
Инженер-консультант
+7 (950) 921-62-55

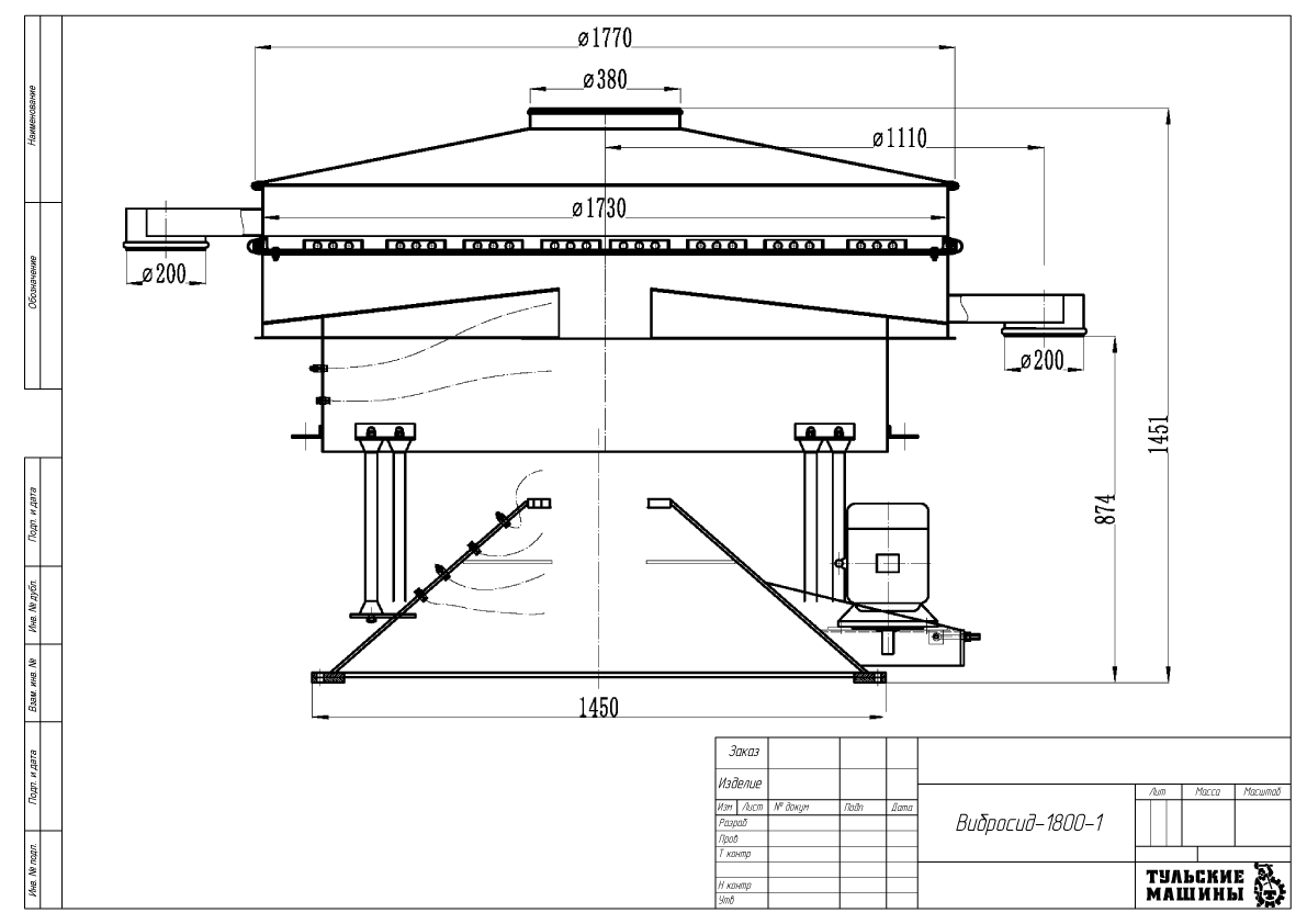
ТЕХНИЧЕСКИЕ ХАРАКТЕРИСТИКИ — Грохот качающийся Вибросид-1800-1

Масса, кг:
1220
Мощность электродвигателя, кВт:
3
Производительность, т/ч:
до 12
Амплитуда (полуразмах) колебаний, мм:
20-70
Количество дек, шт.:
1
Площадь одной просеивающей поверхности, м²:
2,26
Изготовление по вашему ТЗ
Отправить ТЗ
Реверс-инжиниринг
Обсудить задачу

ОПИСАНИЕ — Грохот качающийся Вибросид-1800-1

Грохот качающийся с одним ситом — это компактное и надёжное оборудование для контрольного рассева и классификации сыпучих материалов по двум фракциям. За счёт качающихся (круговых) колебаний корпуса обеспечивается равномерное распределение материала по поверхности сита и стабильное качество разделения.

Данная модель применяется для отделения крупных включений, агломератов и посторонних примесей, а также для получения однородного продукта перед последующими технологическими операциями. Односитовая конструкция делает грохот простым в обслуживании и удобным для интеграции в существующие линии.

Преимущества

  • эффективный контрольный рассев
  • равномерная загрузка и минимальное забивание сита
  • компактная вертикальная компоновка
  • закрытая конструкция — снижение пылеобразования
  • простая и быстрая замена сита
  • стабильная работа в непрерывном режиме

Конструктивные особенности

Грохот выполнен в однодечном исполнении и оснащён встроенным виброузлом, формирующим оптимальные качающиеся колебания. Корпус рассчитан на промышленную эксплуатацию, возможна установка различных типов сит в зависимости от требуемой крупности разделения.

Области применения

  • дробильно-сортировочные комплексы
  • линии подготовки песка и отсева
  • бетонные и асфальтобетонные заводы
  • производство сухих строительных смесей
  • горнодобывающая и перерабатывающая промышленность

Грохот качающийся с одним ситом — оптимальное решение для задач, где требуется надёжный контроль качества материала, компактность оборудования и высокая точность рассева.

ЧЕРТЕЖ — Грохот качающийся Вибросид-1800-1


Обсудить задачу
Обсудить задачу
Отправьте заявку — с вами свяжется инженер:
  • Обсудить технические вопросы
  • Подготовить коммерческое предложение
  • При необходимости договориться о встрече
  • Организовать экскурсию на производство