Гидравлическая конусная дробилка HPT-200 M

Гидравлическая конусная дробилка HPT-200 M

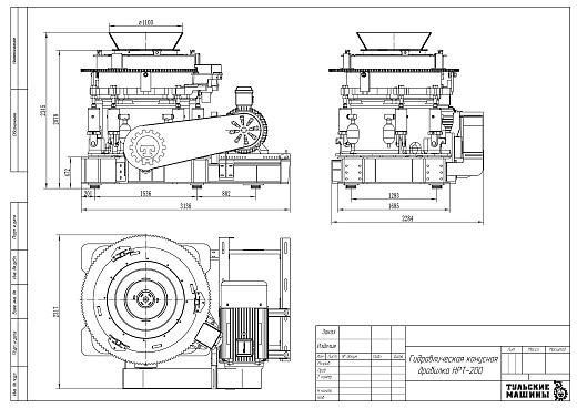
Габаритные размеры: Длина х Ширина х Высота, мм
3150х2350х2400
Масса, кг
12000
Мощность электродвигателя, кВт
160
Все характеристики
Назначение: для среднего дробления твёрдых и абразивных горных пород в составе многостадийных дробильно-сортировочных линий.
Пуско-наладка на вашем объекте и обучение вашего персонала
При необходимости проводим испытания с давальческим сырьем
Послепродажный сервис и плановые поставки запчастей и расходников
от 11 345 000 руб.
Заказать
Гарантия: от 12 месяцев
Доставка: по всей России и СНГ
Сроки изготовления: от 40 рабочих дней
Подобрать решение
Андрей Федоров
Инженер-консультант
+7 (950) 921-62-55

ТЕХНИЧЕСКИЕ ХАРАКТЕРИСТИКИ — Гидравлическая конусная дробилка HPT-200 M

Габаритные размеры: Длина х Ширина х Высота, мм:
3150х2350х2400
Масса, кг:
12000
Мощность электродвигателя, кВт:
160
Производительность, т/ч:
115-220
Max. входящая фракция, мм:
75
Диапазон регулирования выходной щели, мм:
13
Диаметр подвижного конуса, мм:
982
Тип камеры:
среднего дробления
Изготовление по вашему ТЗ
Отправить ТЗ
Реверс-инжиниринг
Обсудить задачу

ОПИСАНИЕ — Гидравлическая конусная дробилка HPT-200 M

Гидравлическая конусная дробилка с множеством цилиндров и камерой среднего дробления предназначена для среднего дробления твёрдых и абразивных горных пород в составе многостадийных дробильно-сортировочных линий. Оборудование обеспечивает стабильную производительность и эффективную переработку материала, подготовленного после стадии крупного дробления.

Многoцилиндровая гидравлическая система обеспечивает равномерное распределение дробящих усилий по всему периметру рабочей камеры, повышая надёжность оборудования и устойчивость к динамическим нагрузкам. Камера среднего дробления позволяет получать однородный продукт, оптимально подходящий для последующих стадий переработки и сортировки.

Преимущества

  • эффективное дробление материала средней крупности
  • стабильное качество и однородность готового продукта
  • высокая производительность в непрерывном режиме
  • многoцилиндровая гидравлическая система с равномерным прижимом
  • устойчивая работа при повышенных нагрузках
  • надёжная защита от перегрузок и недробимых включений
  • прочная конструкция для работы с твёрдыми и абразивными породами

Области применения

  • горнодобывающая промышленность
  • карьерная переработка горных пород
  • дробильно-сортировочные комплексы
  • переработка гранита, базальта, известняка и других твёрдых материалов
  • производство щебня и инертных материалов

Гидравлическая конусная дробилка с камерой среднего дробления является оптимальным решением для предприятий, которым требуется надёжное оборудование для стабильного среднего дробления с высокой производительностью и устойчивыми эксплуатационными характеристиками.

ЧЕРТЕЖ — Гидравлическая конусная дробилка HPT-200 M


Обсудить задачу
Обсудить задачу
Отправьте заявку — с вами свяжется инженер:
  • Обсудить технические вопросы
  • Подготовить коммерческое предложение
  • При необходимости договориться о встрече
  • Организовать экскурсию на производство