- Главная
- >>
- Электроприводы для запорной арматуры
- >>
- Электроприводы А типа
Электроприводы А типа
Завод «Тульские Машины» производит электроприводы А типа — модели НА и ВА, которые используются для регулирования подачи нефти, газов и других веществ в системе трубопроводов энергетических предприятий. Данные электроприводы могут использоваться в зонах с повышенной взрывоопасностью, а также он может быть установлен на воздухе под навесом.
Завод «Тульские Машины» комплектует все свои электроприводы паспортом, инструкцией по эксплуатации, сертификатом соответствия и гарантийным талоном.
Компания «Тульские Машины» предлагает в режиме онлайн осуществить заказ и купить электропривод А типа от производителя по выгодным ценам с доставкой в любой регион России и стран СНГ. , самовывозом или транспортными компаниями, с которыми мы работаем. При необходимости вы можете получить консультацию по интересующим вопросам по электронной почте и телефонам – на помощь всегда придут наши менеджеры.
Основные задачи электроприводов типа А
Мы перечислим основные функции, которые выполняют электроприводы НА и ВА:
- закрытие и открытие затвора арматуры с помощью диспетчерского пульта;
- механическое закрытие и открытие арматуры с помощью маховика, что позволяет регулировать работу систему при аварийном отключении электропитания;
- остановка в любом положении затвора с помощью кнопки Стоп на пульте;
- автоматическое отключения электропитания двигателя, если достигается заданный крутящий момент, а также в случае с электроприводом ВА если его подвижные части аварийно отключаются;
- подключение сигнализации к диспетчерскому пульту;
- выключение арматуры автоматически при достижении затвором крайнего положения;
- сбор данных о текущей фазе открытия затвора;
- возможность переключения режима, ручного или автоматического, в любой момент.
Варианты исполнения
![]() |
Электропривод НА общепромышленного исполнения с червячно-цилиндрическим редуктором и двухсторонней муфтой. | ![]() |
Электропривод ВА взрывозащищенного исполнения с червячно-цилиндрическим редуктором и двухсторонней муфтой. |
«Тульские Машины» осуществят доставку электропривода А в любой регион России, а также в страны СНГ по доступным ценам и всегда с гарантией качества, подверждённого сертификатами.
Электропривод НА
Электропривод НА применяется в области управляющего элемента запорных арматур. Контроль может происходить ручным способом и дистанционным в том числе. НА электроприводы нужны для того, чтобы работать в повторно-кратковременных интервалах. Рекомендуется включать такой электропривод с длительностью 25%. Осуществить работу электрического двигателя от привода НА, можно через сеть с переменным током, что имеет стандартную частоту 50-60 Гц, с напряжением 220-660В. Обычно это выбирается при покупке, но если спецификаций и особых требований на электропривод на не было, то потребляется стандартный тип напряжения 380В, имеющий частоту 50 Гц. Устанавливаться электроприводы типа А способны как в помещениях, так и под навесами, разными сооружениями, открытым небом. Причём они могут быть установлены в нужном положении по трубопроводу.
Основные функции электроприводов типа НА:
- Закрыть и открыть проход арматур при помощи управляющего пульта.
- Также можно остановить запорные устройства арматур в любых положениях.
- В автоматическом режиме отключать электродвигатель муфтой, которая ограничивает крутящий момент, когда достигнуто заданное значение.
- Сигнализировать о крайнем положении запорных устройств арматуры на пульт, а также о том, что сработала муфта, когда крутящийся момент ограничен.
- В автоматическом режиме производить выключение электрического двигателя, когда запорное устройство арматуры достигает крайнего положения.
- Указывать крайние и промежуточные положения запорных устройств на местной шкале.
- Указывать крайний радиус при открытии прохода арматур на управляющем дисплее (если есть датчик).
- В автоматическом режиме переключить электропривод в положение ручного управления или электрического.
- Электрически задавать блокирование электропривода, когда работают прочие механизмы и агрегаты.
Такой электропривод включает в себя следующие детали и основные узлы:
- Электродвигатель.
- Планетарный редуктор.
- Узел путевого выключателя.
- Узел моментной муфты.
- Узел ручного дублера и маховик.
- Выходной вал с квадратом или кулачком.
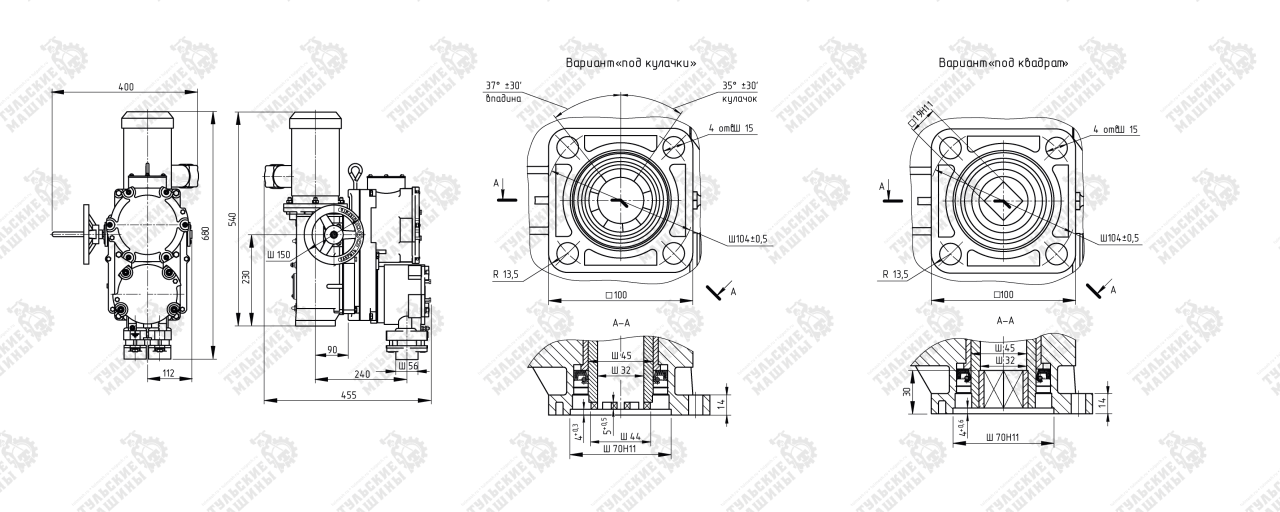
Схема и основные размеры электропривода НА
Наиболее распространенные типы электроприводов НА:
- Для чугунных задвижек (30ч906бр) или стальных задвижек (30с941нж) диаметром (Dy,мм), как правило, применяются следующие типы электроприводов:
- для Dy 50, 80, 100 применяют электропривод НА-04 или электропривод НА-05;
- для Dy 150 применяют электропривод НА-10.
Электропривод ВА
Электрический привод ВА представляет собой изделие со специальными приспособлениями – муфтами. Они служат для соединения с устройствами запорного типа, которые устанавливаются на трубопроводах. Благодаря взрывозащищённому исполнению, электропривод может применяться в зонах с повышенной взрывоопасностью. Электропривод выполнен таким образом, что может устанавливаться в необходимом положении на требуемом участке трубопровода.
Управление подсоединённой к электроприводу арматурой может осуществляться в ручном режиме, а также на расстоянии с помощью пульта управления. Режим работы электропривода ВА – повторно-кратковременный (ПВ не превышает 25%) в системах, где применяется для управления микропроцессорная техника и автоматы.
Электропривод ВА выполняет следующие задачи:
- меняет положение клапана запорного устройства как при поступлении соответствующей команды, так и в ручном режиме;
- при необходимости останавливает запорный узел в промежуточном положении;
- информирует сигналом, если возникают неполадки или если запорное устройство достигает крайних положений – в этом случае электропривод отключается;
- переключение с автоматического на ручной режим работы;
- обеспечение электрической блокировки при работе с другими устройствами;
- регулировка частоты крутящего момента;
- дистанционная корректировка величины открытия запорного устройства при установке в схему управления переменного сопротивления.
«Тульские Машины» предлагают купить электроприводы ВА различной мощности на питание от сети переменного тока 220, 380 или 660 В, частотой 50 и 60Гц.
Основные составные части электропривода ВА:
- редуктор червячно-цилиндрического типа;
- муфта моментная;
- выключатели путевые;
- маховик;
- вал со специальным приспособлением для подсоединения.
Схема и основные размеры электропривода ВА
Внутренние узлы в соединениях электрических приводов имеют специальные уплотнительные устройства, которые обеспечивают надежную герметизацию.
Наиболее распространенные типы электроприводов ВА
Для стальных задвижек (30c941нж) диаметром (Dy,мм):
- для Dy 50 применяют электропривод ВА-04, либо электропривод ВА-05
- для Dy 80, 100 применяют электропривод ВА-05
- для Dy 150 применяют электропривод ВА-10





